
概述: QP(CQP) 系列气动钳盘制动器主要用于起重、运输、冶金、矿山、港口、建筑等机械中各种机构的制动和减速。
使用条件:环境温度: -5℃-40℃ 工作气压: QP系列为5-7bar; CQP 系列为≦7bar。 户外雨雪侵蚀或有腐蚀性气体和介质应采用防腐型产品。 空气源不应有油、水和其他杂质。
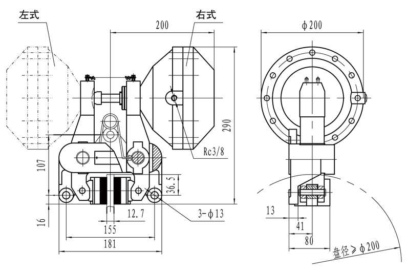
主要特点:QP 系列为弹簧制动,气动释放; CQP 系列为气压制动,弹簧释放。 整体结构简单,体积小,重量轻。 无石棉制动衬垫,绿色环保。 制动衬垫安装采用压簧卡装式,更换方便快捷。 制动衬垫磨损后调整方便简单。 QP 系列每种规格制动器的一种盘径可进行四级制动力矩调整。 所有动力源无需单独设置,可与已有的空压站并网使用,在供气线路中加装调速阀,制动时间可实现无级调整。
注: 1 、可生产不同盘厚、不同安装尺寸的气动钳盘制动器。 2 、具体型号、结构外形尺寸保留更改的权利。

例如:1、选用QP12.7型、A型气包、弹簧为6根、气包左式安装,其订货标记为QP12.7-A-6左;
2、选用QPL12.7A型、B型气包、带机械式松闸显示,气包右式安装,其订货标记为QPL12.7A-B-E1右。
气包带自动补偿机构,制动衬垫磨损后无需人工调整,方便省时。

型号 | 额定制动力(N) (八根弹簧) | 制动盘有效半径(m) | 额定制动力矩(Nm) | 工作气体容量(cm3) | 总气体容量(cm3) | 重量(kg) |
QP12.7-C | 6400 | 制动盘半径-0 . 03 | 额定制动力X有效半径 | 273 | 553 | 25 |