制动器安装尺寸和制动力矩参数:GB6333-86标准,技术要求符合JB/T6406-2006标准。
使用条件:
环境温度: -20℃-50℃; 
周围工作环境中不得有易燃、易爆及腐蚀性气体,否则应采用防腐型产品;
空气相对湿度不大于90%; 
使用地点的海拔高度符合GB755-2000。


| 附加功能代号 | 附加功能 | 
| K1 | 开闸(上升)显示行程开关 | 
| K 2 | 闭闸(下降)显示行程开关 | 
| S | 手动装置 | 
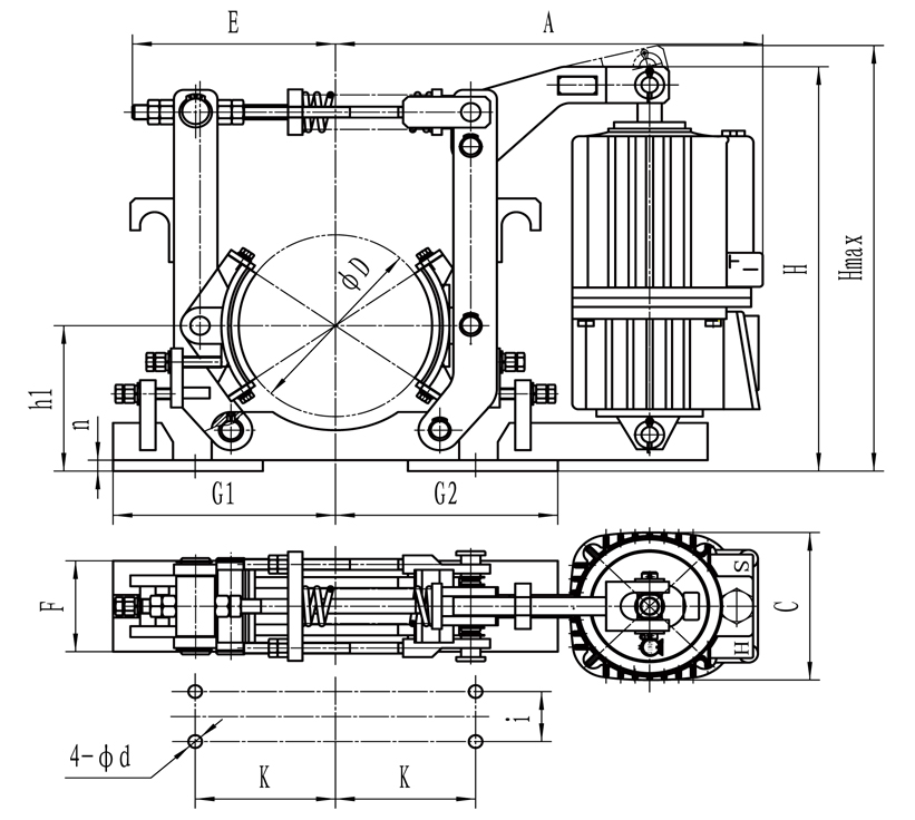
(注:匹配Ed推动器)单位:(mm)
| 型号 | 制动力矩 | 退距 | A | b | C | D | d | E | F | G1 | G2 | H | Hmax | h1 | i | K | n | 重量kg | |
| 制动器 | 匹配推动器 | ||||||||||||||||||
| YWZ10-200/E23 | Ed23/5 | 80-130 | 1 | 445 | 80 | 160 | 200 | 14 | 210 | 100 | 230 | 230 | 415 | 450 | 160 | 55 | 145 | 12 | 55 | 
| YWZ10-200/E30 | Ed30/5 | 80-200 | 445 | 480 | 59 | ||||||||||||||
| YWZ10-250/E23 | Ed23/5 | 100-170 | 1 | 550 | 100 | 160 | 250 | 18 | 260 | 120 | 260 | 260 | 495 | 530 | 190 | 65 | 180 | 14 | 69 | 
| YWZ10-250/E30 | Ed30/5 | 100-240 | 72 | ||||||||||||||||
| YWZ10-250/E50 | Ed50/6 | 220-500 | 190 | 515 | 555 | 73 | |||||||||||||
| YWZ10-315/E30 | Ed30/5 | 230-280 | 1.2 | 600 | 125 | 160 | 315 | 18 | 350 | 130 | 320 | 320 | 555 | 595 | 225 | 80 | 220 | 16 | 105 | 
| YWZ10-315/E50 | Ed50/6 | 430-550 | 190 | 600 | 108 | ||||||||||||||
| YWZ10-315/E80 | Ed80/6 | 430-1050 | 110 | ||||||||||||||||
| YWZ10-400/E50 | Ed50/6 | 510-650 | 1.3 | 710 | 160 | 190 | 400 | 22 | 375 | 160 | 375 | 375 | 675 | 675 | 280 | 100 | 270 | 18 | 175 | 
| YWZ10-400/E80 | Ed80/6 | 510-1100 | 180 | ||||||||||||||||
| YWZ10-400/E121 | Ed121/6 | 820-1800 | 240 | 758 | 800 | 197 | |||||||||||||
| YWZ10-500/E80 | Ed80/6 | 970-1200 | 1.5 | 760 | 200 | 190 | 500 | 22 | 440 | 190 | 440 | 440 | 790 | 790 | 335 | 130 | 325 | 20 | 200 | 
| YWZ10-500/E121 | Ed121/6 | 970-2000 | 770 | 815 | 213 | ||||||||||||||
| YWZ10-500/E201 | Ed201/6 | 1500-3200 | 240 | 213 | |||||||||||||||
| YWZ10-630/E121 | Ed121/6 | 1200-2100 | 1.7 | 830 | 250 | 240 | 630 | 27 | 560 | 240 | 540 | 540 | 970 | 1015 | 425 | 170 | 400 | 28 | 434 | 
| YWZ10-630/E201 | Ed201/6 | 2000-3600 | 434 | ||||||||||||||||
| YWZ10-630/E301 | Ed301/6 | 2800-5300 | 435 | ||||||||||||||||
| YWZ10-630/E301/12 | Ed301/12 | 3500-7000 | 2 | 950 | 1045 | 444 | |||||||||||||
| YWZ10-710/E201 | Ed201/6 | 2300-4000 | 18 | 915 | 280 | 240 | 710 | 27 | 650 | 260 | 610 | 610 | 1060 | 1105 | 475 | 190 | 450 | 28 | 624 | 
| YWZ10-710/E301 | Ed301/6 | 3100-6000 | 624 | ||||||||||||||||
| YWZ10-710/E301/12 | Ed301/12 | 4000-8000 | 2 | 1070 | 1135 | 684 | |||||||||||||
| YWZ10-800/E301/12 | Ed301/12 | 5300-9000 | 2 | 1130 | 320 | 240 | 800 | 27 | 700 | 300 | 680 | 680 | 1300 | 1300 | 530 | 210 | 520 | 28 | 700 | 
注:具体型号、结构外形尺寸保留更改的权利。



(注)单位:(mm)
| 制动器型号 | 匹配推动器 | 制动力矩(Nm) | 退距 | A | B | BO | B1 | B2 | C1 | C2 | C3 | D | d | d1 | E | F | f | f1 | G | G1 | H | H0 | h1 | h2 | i | K | L | L1 | L2 | m | n | n1 | Q | 重量kg | 
| YWZ10-F2 | Ed23/5 | 80-130 | 1 | 720 | 230 | 238 | 180 | 230 | 160 | 220 | 200 | 14 | 106 | 260 | 250 | 80 | 564 | 460 | 665 | 650 | 160 | 145 | 55 | 145 | 840 | 828 | 820 | 450 | 10 | 5 | 55 | 60 | ||
| YWZ10-F2 | Ed30/5 | 80-200 | 65 | |||||||||||||||||||||||||||||||
| YWZ10-F250/23-S | Ed23/5 | 100-170 | 1.2 | 750 | 260 | 268 | 220 | 260 | 200 | 250 | 250 | 18 | 126 | 305 | 280 | 100 | 653 | 560 | 744 | 730 | 190 | 176 | 65 | 180 | 970 | 956 | 948 | 550 | 10 | 4 | 55 | 85 | ||
| YWZ10-F250/30-S | Ed30/5 | 100-240 | 90 | |||||||||||||||||||||||||||||||
| YWZ10-F250/50-S | Ed50/6 | 220-500 | 102 | |||||||||||||||||||||||||||||||
| YWZ10-F315/30-S | Ed30/5 | 230-280 | 1.2 | 830 | 260 | 268 | 200 | 280 | 315 | 18 | 166 | 380 | 280 | 150 | 730 | 775 | 760 | 225 | 209 | 80 | 220 | 1120 | 1108 | 1100 | 12 | 4 | 55 | 110 | ||||||
| YWZ10-F315/50-S | Ed50/6 | 430-550 | 120 | |||||||||||||||||||||||||||||||
| YWZ10-F315/80-S | Ed80/6 | 430-1050 | 127 | |||||||||||||||||||||||||||||||
| YWZ10-F400/50-S | Ed50/6 | 510-630 | 1.5 | 930 | 280 | 288 | 180 | 300 | 400 | 22 | 186 | 440 | 300 | 180 | 821 | 818 | 800 | 280 | 262 | 100 | 270 | 1270 | 1260 | 1251 | 14 | 4 | 70 | 170 | ||||||
| YWZ10-F400/80-S | Ed80/6 | 510-1000 | 170 | |||||||||||||||||||||||||||||||
| YWZ10-F400/121-S | Ed121/6 | 820-1800 | 968 | 950 | 60 | 205 | ||||||||||||||||||||||||||||
| YWZ10-F500/80-S | Ed80/6 | 970-1200 | 2 | 990 | 300 | 308 | 200 | 330 | 500 | 22 | 216 | 510 | 330 | 330 | 881 | 985 | 965 | 335 | 315 | 130 | 325 | 1400 | 1390 | 1381 | 16 | 4 | 60 | 250 | ||||||
| YWZ10-F500/121-S | Ed121/6 | 970-2000 | 275 | |||||||||||||||||||||||||||||||
| YWZ10-F500/201-S | Ed201/6 | 1500-3200 | 275 | |||||||||||||||||||||||||||||||
| YWZ10-F630/121-S | Ed121/6 | 1200-2100 | 2 | 1120 | 360 | 368 | 260 | 260 | 260 | 630 | 27 | 226 | 615 | 400 | 240 | 230 | 987 | 1128 | 1100 | 425 | 397 | 170 | 400 | 1615 | 1595 | 1587 | 20 |  |